tnotes
:
Timer555MonoKippSa
Categories
PageIndex
RecentChanges
RecentlyCommented
Login/Register
Search:
Timer555 - Verweilzeiteinstellung über den Steueranschluß
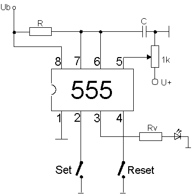
Monostabile Kippschaltung mit stufenloser Verweilzeiteinstellung über den Steueranschluß
Die Verweilzeit läßt sich auch durch eine Spannung an Pin 5 beeinflußen.
Siehe auch
•
Valid XHTML
::
Valid CSS:
::
Powered by WikkaWiki