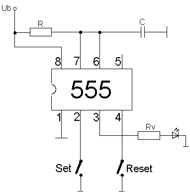
Timer555 - Monostabile Kippschaltung

Wird der SET-Taster kurz gedrückt, so leuchtet die LED für eine bestimmte Zeit tv auf.
Wird der RESET-Taster betätigt, so erlischt die LED sofort.
Die Leuchtdauer wird folgendermaßen berechnet: tv = 1.1 ⋅ R ⋅ C
Betriebsspannungunterschiede machen hier 2% Toleranz aus.
Beispielwerte:
Ub = 4.5 V
Rv = 150 Ohm
R = 33 kOhm
C = 100 µF
tv = 1.1 ⋅ 33000 ⋅ 0.0001 = 3,63 Sekunden
Siehe auch •